A common misconception is that adding OCR cameras transforms a manual gate into an automated one. In practice, OCR is just one small component in a much larger chain. Many terminals install OCR in the gate lanes and later discover that gate performance barely improves.
A fully automated gate must handle two parallel workflows:
- Security — verifying the driver and the truck
- Logistics — validating bookings and all container-related data
Beyond the gate itself, we also look upstream and downstream: pre-arrival processes, yard capacity, data quality, and the full chain from VBS to TOS. Camco’s Gate Automation Consulting clarifies and stabilizes this entire chain. We focus on operational flow, not on adding more technology.
What we do
We use a structured, proven multi-step approach that includes:
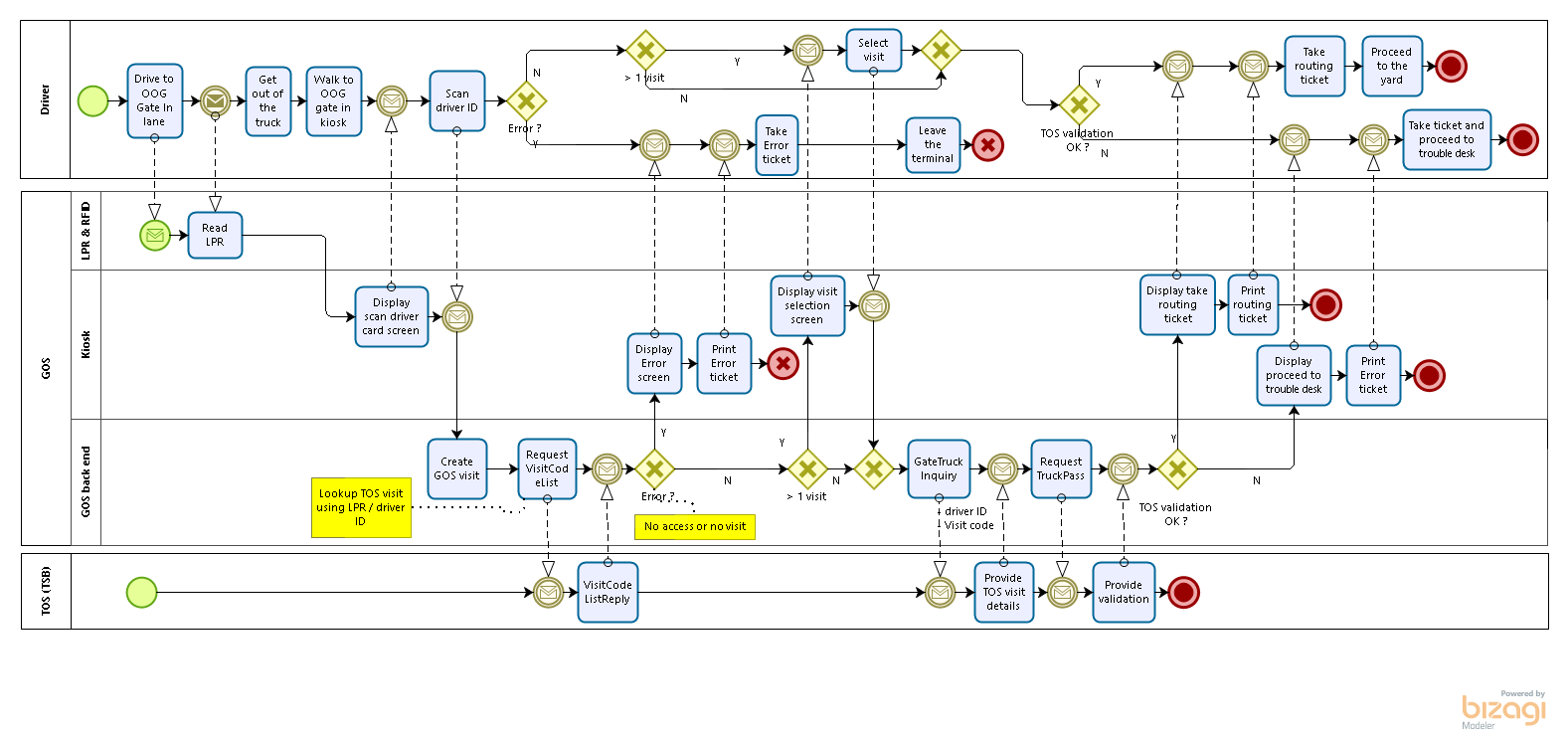
- Creating a full traffic-flow diagram
- Defining all data sources (VBS, OCR, weighbridges, RFID, kiosks, handhelds)
- Mapping where exceptions originate and how data moves between systems
The outcome is a gate design that fits your real operational constraints, not a theoretical ideal.


Typical outcomes
Our consulting work typically results in:
- A ready-to-implement gate design
- Clear recommendations for a tender package
- Best-practice guidance based on 20 years of experience
Deliverables
A successful gate project is completed in eight structured steps, with an optional ninth step for reporting design.
Together with the operational and IT teams, we define:
- Gate layouts
- Data sources (VBS / OCR / kiosks / handhelds)
- Traffic-flow diagrams
- Business-process flows
- Exception types and handling logic
- Monitoring tools
- KPIs
- Analytics
- Optional: report layout
No two terminal gates operate in the same way. Local constraints, staffing, equipment mix, traffic culture and regulations all influence how trucks arrive, register and move inside the terminal.
When these elements are not aligned, queues grow, manual checks increase and exceptions accumulate.
How we work
- Compact discovery phase to understand operational flows and data
- Joint design workshops with gate ops, planning and IT
- Clear documentation your teams can maintain and implement